<p id="goup1"
[FILTRATION] * [MIXING] * [ENVIRONMENT CONTROL] * [WINE AGING] [HAT] * [AUTOMOBILE ENGINEERING]
Technology does not depend on science; it is the basic need that spurts changes. Experience teaches the needs for change. Niazi invention are a result of his lifetime experience in the bioprocessing industry as well as many other situations; in a broader sense, technology modifications can be applied to any existing technology, since the technology is meant to deliver certain endpoints and thus subject to alternate designs and approaches that will make the products of technology more affordable and provide a better performance.
go up
FILTRATION
Filtration unit operations are one of the most widely used steps in many industries, from chemical to biological to water purification. The use of filters became popular in the past few decades but came with an inherent problem of clogging of filters that was overcome in the high-end bioprocess industry by using centrifugation process that adds substantial cost to the process. Additionally, the current art of filtration compromises the quality of product requiring exposure to filtration device and methods used. Niazi inventions take a fresh look at the art of separating particles in a liquid. Three approaches are used:
a. Using a hard filter surface that is continuously scrubbed by air bubbles.
b. Using a hard filter surface that is continuously scrubbed by high speed liquid.
c. Using a hard filter surface and using a combination of electrical polarization and vibration.
These devices can be used in every industry that practices phase separation at the lowest cost as well provide several new applications including on site water purification, sterile perfusion bioreactor operation, viral filtration, molecular mass separation, and many more. These technologies are applied to any size particles from nanometer size to micrometer.
Permanent non-clogging filters scrubbed by air bubbles or fast liquid flow; long-term use, universal application, all particle sizes removed; sterile operations.
US 9,364,776 | Concentrator Filter.
This patent is a divisional patent from the US 8,685,245 listed below. This is a device patent. Every filtration device currently available is subject to clogging when used to separate suspended particles from liquid. Now comes a hard filter that is continuously scrubbed by air bubbles to prevent clogging of filter, giving it perpetual life and application in all industrial applications. Not only does the invention make the filtration unit process cheaper and faster, it allows novel uses ranging from molecular separation to sludge treatment. PDF
US 9,101,857 | Gas Scrubbed Perfusion Filter.
Fine gas bubbles traveling at fast speed are employed to scrub a hard-surface filter disposed in a bioreactor to remove culture media and expressed proteins while leaving cell culture in the bioreactor. This method of operating a bioreactor in a perfusion mode now allows a contamination-proof environment, a filter that can continue to operate indefinitely–all at a much lower cost compared to the current practices. PDF
US 8,685,245 | Concentrator Filter.
A separate device patent from the same invention is listed above as US 9,364,776. Every filtration device currently available is subject to clogging when used to separate suspended particles from liquid. Now comes a hard filter that is continuously scrubbed by air bubbles to prevent clogging of filter, giving it perpetual life and application in all industrial applications. Not only does the invention make the filtration unit process cheaper and faster, it allows novel uses ranging from molecular separation to sludge treatment. This is a device and method patent. PDF
US 8,663,474 | Non-Blocking Filtration System.
This is a methods patent based on division of US 8,413,817 listed below. A non-blocking filtration system wherein the filter is kept from getting clogged by a scrubbing the filter by a forced fast flow of liquid in a oval-shaped filter using a turbine propeller. This mechanical component can be driven by compressed gas. action of the suspension filtered continuously scrubs the filter, keeping it free of deposits of solid deposits while the filtrate is removed in a variety of biological and chemical applications, substantially reducing the cost of unit operations. PDF
US 8,413,817 | Non-Blocking Filtration System.
This is a device claim patent. A divisional methods claim is listed above as US 8,663,474. A non-blocking filtration system wherein the filter is kept from getting clogged by a scrubbing the filter by a forced fast flow of liquid in a oval-shaped filter using a turbine propeller. This mechanical component can be driven by compressed gas. action of the suspension filtered continuously scrubs the filter, keeping it free of deposits of solid deposits while the filtrate is removed in a variety of biological and chemical applications, substantially reducing the cost of unit operations. PDF
US 15/158,383 | Concentrator Filter.
This is a continuation of the US 8,685,245 listed above and represents a method a method of concentrating cell culture in a bioreactor. A filter scrubbed with air bubbles is used to remove culture medium from the bioreactor, leaving cell culture inside the bioreactor, a perfusion mode of operating a bioreactor. The unclogged filter can be used indefinitely and since it is disposed inside the bioreactor, it eliminates chances of contamination inherent in teh current art, wherein the content of the bioreactor are removed and passed through filtration apparatus and returned to the bioreactor. PDF
go up
<p id="mixing"
Mixing
Mixing of liquids, liquids and solids and solids and solids is routinely achieved by either using a stirring device or a by shaking or rotating the container; in the first instance, a risk of contamination is inherent and in the other, the cost of large mechanical devices required to produce a motion. Niazi inventions take novel approach to mixing without any external stirring device inserted into a mixing vessel:
a. mechanical or magnetic levitation of container shaken in linear, vertical or orbital motion, low energy operation.
b. mixing in flexible bags by compressing an edge to create an internal wave, instead of shaking the container.
c. geometric dilution using closed containers wherein mixing occurs under gravitation flow provides a protected environment without the need for larger containers to quality for CFR 21:210 single batch cGMP qualification.
While several applications are illustrated in the bioprocess industry, the devices and methods are equally application to any industry where a protected mixing is preferred
Four distinct methods of mixing liquids without using an external stirring device: levitation and shaking, compressing edges of flexible stationary bags, geometric and linear flow mixing under gravity.
US 9,469,426 | Single-Use Stationary Bioreactors and Mixing Vessels.
Stationary bioreactors and mixing vessels fitted with flexible bags utilize wave hydrodynamic principle wherein a movable flap repeatedly compresses one or multiple edges of the bag to create a wave motion to induce mixing. The technology is applicable every type of biological process and products, as well as in the chemical industry.. By keeping the container stationary, it is now possible to use flexible bags, which are otherwise fragile, for any size container and achieve optimal mixing at a very low cost and keep the content protected since no stirring is introduced from outside. PDF
US 15/362481 | Zero Gravity process device.
Levitation is widely used in many industries; here a physical levitation by hanging in the air or by magnetic levitation, creating a zero gravity, allows use of small force to shake the container in vertical, horizontal (linear or orbital) direction and mix the content without the need to introduce an external stirring device. PDF.
US 9,068,215 | INTERCONNECTED BIOREACTORS.
The CFR 21 Part 210 defines a batch as “a specific quantity of a drug or other material that is intended to have uniform character and quality, within specified limits, and is produced according to a single manufacturing order during the same cycle of manufacture.” Many industries face the challenge of batch size and it is preferred to pool several containers to have “uniform character” to qualify as a single batch. A traditional option will be to mix the content in a larger container, but that defeats the utility of smaller containers. A method of mixing contents of several containers using a common container that receives a fixed fraction from each container and returns it allow keeping the content in several containers, yet qualify them collectively as a single batch. Applied here to upstream processing, the technology readily adaptable to any industry. PDF
<p id="environment"
go up
Environmental Control
Clean environment is one the greatest challenges to mankind; air conditioning in the middle of 20th century resolved many problems but added several, including cross contamination, particularly in industrial environment, require high cost of hardware and operations. More recently, removal of viruses from processing of biological products has become a major challenge since filter for viruses are difficult to validate. In the bioprocessing industry, the exhaust from bioreactor remains a major impediment in protecting environment as well as operators from bioreactor exhaust. Niazi inventions have have resolve all of these three major challenges in current environmental control.
A single-pass, minimal exhaust, energy recovery layout with individual room control for class and environment.
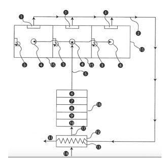
A single-pass HVAC systems to isolate zones and to maintain a required clean air quality standard is provided that operates by producing a positive pressure in all zones, while exhausting on a minimal quantity of air required by law (OSHA). The zones are kept clean by a recirculating fan filter in each zone. The exhaust air is used to exchange heat with incoming air to conserve energy further. A single air handler can control 10-100 times the area than traditional designs. Lowest operational cost. Clean room designs, hospitals, homes and commercial spaces. PDF
High pH liquid destroys viruses and other microbes, retains particles and returns air without using filter by centrifugation process–permanent life.
An air scrubber for eliminating airborne contaminants and sterilizing air to protect against nosocomial infections, environmental allergens, weapons of biological and chemical attacks and operations requiring clean environment. The air scrubber includes a housing containing an alkali solution at pH 14 through which air passes and suspended liquid particles removed; add on to central air-conditioning systems, stand-alone applications and portable use along with respirators. Water droplets are removed by a centrifugal mechanism eliminating need for filters. Permanent filter, low cost. Many industrial and commercial uses. PDF
Bioreactor and other hazardous exhausts are cleaned by cooling or freezing to remove water droplets, recirculating or exhausting clean gas, as well recirculation after removing carbon dioxide. Closed systems for most hazardous processing and filter-free to prevent batch losses.
US 9,469,671 | CLOSED BIOREACTOR.
Bioreactors operating in uncontrolled environment such as required in situations like on-site production, handling extremely hazardous materials, etc., require a bioreactor that is completely closed. The exhaust is scrubbed of any components of exhaust such as carbon dioxide and entire exhaust gas returned to bioreactor with added nutrient gases, in a one-way operation. Many applications in related industries. Reduces cost of operations by not requiring clean rooms. PDF
US 9,005,959 | Bioreactor Exhaust.
Cooling or freezing bioreactor exhaust to remove droplets, returning liquid back to the bioreactor and exhausting clean gas. A one-way exhaust to prevent contamination to flexible bioreactors. Low cost, prevents batch losses due to filter blockage, a major risk in upstream processing. PDF
US 14/685250 | Bioreactor Exhaust.
High throughput bioreactor exhausts result in loss of liquid that is prevented by condensing the droplets prior to exhausting, which can be done in controlled environment as it now becomes contaminating. Various temperature conditions are provided to provide adequate cooling to large volume exhaust. PDF
14/831,592 RECIRCULATING BIOREACTOR EXHAUST SYSTEM
A recirculating bioreactor exhaust apparatus to remove a gaseous element from the bioreactor exhaust, such as carbon dioxide, by freezing the gaseous element and then returning the remaining exhaust gas to the bioreactor and a method of use. PDF
<p id="wine"
go up
Wine and Liquor Aging and Storage
Wines and whiskeys are aged by storing them in wood casks for long time; a detailed analysis of the aging process shows that aging can be simulated based on Fick’s law of diffusion and significantly improved by creating new options of using multiple woods, optimal temperatures and temperature cycling and aging in large stainless steel containers to reduce the cost and time. The Niazi invention allows a natural process to be accelerated, not altered. The invention opens up new opportunities for creating extra ordinary value to wines and whiskeys.
Another drawback of degradation of wines, particularly the red wines, due to oxidation is solved by providing non-leaching fluoropolyer containers that will fit inside a glass bottle, and allow removal of portion of wine wihtout affected the rest, and at ontrolled mechanism; still allowing the specific wine and whiskey to extract from a large surface area allows faster aging; devices for aging are also described. Additionally, devices that allow dispensing wine without bringing air into bottle or allowing any leaching are described.
A fluoropolymer bladder to hold degradable wine that can be placed inside a glass bottle; provided with an aerator. Partial withdrawal without affecting wine. A large-scale (thousands of liters at a time) method of aging wine, 10-100x faster, with custom woods.
US 14/794,364 | Wine Preserving and Aerating Container.
A non-chemical leaching fluoropolymer container for dispensing, storing and aerating degradable wines. A wine holding and pouring container that can rest in a glass bottle and allows partial dispensing without air contact with wine. Also provided is an online aerator to serve two functions. This is the first of its type of device that eliminates leaching from glass bottles to further improve the taste of alcoholic beverages. [ALLOWED] PDF
US 9,745,545 | Faster Aging of Alcoholic Beverages.
For thousands of years, aging of alcoholic beverages such as wine and whiskey in a wooden barrel has been a norm, taking years to reach a taste and flavor that is highly valued. A mathematical calculation based on Fick’s Law of Diffusion was made to design an apparatus and method wherein thousands of liters of beverage can be aged in a fraction of time with several additional features such as temperature control, mix of woods and higher degree of consistency of the aged beverage. No change is made in the mechanism of aging to allow natural extraction of components from wood. Now, high end wines and other alcoholic beverages can be manufactured at a low cost–essentially making good wines and whiskeys affordable to all. PDF
US 12/978,380 | Accelerated Aging of Wines and Spirits.
A method and a system for aging wines and spirits is disclosed using finely pulverized wood of less than 1 mm size and in such quantity to achieve equivalent aging in one-tenth to one-hundredth of the time required for traditional barrel aging and for instant aging prior to drinking. A method of aging an alcoholic beverage comprising contacting said alcoholic beverage with fine wood powder of particle size smaller than 1 mm in diameter for sufficient length of time to impart desirable flavor and aroma to said alcoholic beverage. PDF
<p id="hat"
go up
Hats
Hats fly off in wind; a computer-aided design of vents in the brim to reduce the vacuum on the top portion of the hat brim makes the hats more stable to high wind.
Strategically placed holes limit vacuum on brim to reduce wind effect.
US D866,928 | ventilated brimmed Hat
The ornamental design for a ventilated brimmed hat, as shown and disclosed. Does not fly off against the wind. PDF
<p id="automobile"
go up
Automobile Engineering
With over 40,000 deaths per year and over 4 million injuries per year in the US, the cost of automobile accidents is enormous; while the automobile designs have improved significantly, there is a need to introduce additional safety features. First, to avoid half a million accidents when changing into a common lane can be avoided by visual warning from a turn signal that illuminates automatically; the steering wheel can be substituted with a control device that operates every function of automobile without removing hand off the steering wheel. The steering device can be used remotely allowing drivers to drive a car from far distance, providing an intermediate approach to driver driven and auto driven cars.
Electronic steering wheel that control all functions; can be removed and operated remotely to allow operations of vehicles like drones.
This invention relates to the technical field of the design and function of a steering wheel comprising a flat touch-sensitive electronic screen that also serves the function of a graphic user interface to control vehicle functions. 1.A Vehicle Steering and Control Device (VSCD) comprising: a steering wheel comprising a flat touch-sensitive electronic screen with at least one edge, a front display surface, a back-support surface and a plurality of inputs; a boss connecting the back support surface to a steering column; a graphic user interface (GUI) comprising the said flat touch-sensitive electronic screen further comprising a vehicle computer, communicating with the flat touch-sensitive electronic screen, directly or wirelessly, configured to receive user input defining user instructions by touching the surface of the flat touch-sensitive electronic screen for controlling a plurality of vehicle functions and displaying operational conditions of the vehicle on the front display surface of the flat touch-sensitive electronic screen. PDF.
LED signal all around the vehicle warning closing vehicle in lane turns protects accidents.
Turn signals for moving vehicles along both sides of the vehicle are reported. A turn signal for moving vehicles comprising: a plurality of lights affixed on both sides of the moving vehicle along substantially the entire length of the vehicle; an electronic controller to turn on and off the lights in synchronization with other turn signals in current use; and, an electronic controller to turn on and off the lights in a pre-determined pattern, frequency and intensity. PDF
go up








